您的位置:海磁首頁 - 產品總匯 - KYN28-12KV中置柜系列
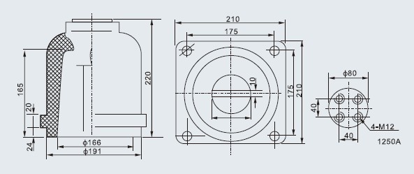
產品編號:HCA310 名稱:觸頭盒 型號:CH1-10Q/210 額定電流:1250A
技術指標
工頻耐壓:65kV/1min
局放:26.4kV<10pC.21kV≤2pC:
雷電沖擊電壓:125kV
玻璃化溫度:≥105℃:爬電距離:>480min
產品概述
觸頭盒和套管式高壓開關柜上必不可少的元件,其性能的優劣將直接影響高壓開關柜的絕緣性能和運行的安全可靠性。
從2000年以來,沿海地區電力系統的40.5kV開關柜運行工作電壓下有異常放電現象,及開關柜短路。主要原理是因觸頭盒和套管內部電場特別集中,分布不均勻,產生電暈放電。由于使用環境各種因素的長期作用,發生一系列的化學和物理變化,從而導致電氣性能和機械性能的逐漸劣化,致使開關柜無法正常持續運行。
針對上述問題,海磁團隊經過二年多時間的研發,運營了新的電場分析技術,計算出合理的電場分布,設計理想的屏蔽網尺寸及結構,改版了電場分布,從而使這部分電位相同,消除電場集中的問題,達到了絕緣體內部電場分布均勻的效果,最終降低絕緣體局放,延遲了絕緣件的使用壽命。
隨著輸變電行業的不斷發展,滿足特殊使用環境條件的要求和市場區域要求的開關柜的使用越來越廣泛,海磁研發團隊在開發40.5kV系列屏蔽絕緣件之后,又隆重推出了24kV系列屏蔽觸頭盒、套管。
在國際市場上24kV系列主要配套與東南亞,歐洲的24kV開關柜中,在國內市場上24kV開關柜江蘇省電力局是首推試點,還有在廣東、東北、特別是四川汶川、北川相繼使用,另外,主要針對海拔3500米以上的使用環境條件幣設計配套于高海拔開關柜中。
通過完善的檢測設備:高壓測試系統及局放試驗屏蔽室、玻璃化轉變溫度試驗設備美國進口DSC熱分儀、溫度及熱穩定性試驗設備冷熱沖擊試驗機、機械強度試驗設備拉力試驗機等,確保了絕緣件工頻耐壓、局部放電量、機械性能、溫度及熱穩定性四大性能的要求,產品經中國西安國家絕緣子避雷器質量監督檢驗中心通過型式試驗。
目前本產品主要銷往江蘇、廣東、上海、浙江、四川等地。









產品編號:HCA314
KYN28-12KV中置柜系列






浙公網安備 33038202004286號